এসএসটি-টিসি ডিসি মোটর রোলার কনভেয়র
Cat:বৈদ্যুতিক মোটর রোলার পরিবাহক
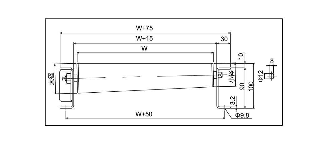
রোলার প্রস্থ 500 600 700 800 ...
উন্নত কাঠামো, উচ্চ-মানের পারফরম্যান্স, ব্যবহার করা সহজ, উচ্চ নির্ভরযোগ্যতা এবং স্থায়িত্ব।
বৈদ্যুতিক মোটর রোলার কনভেয়র এক ধরণের চালিত রোলার পরিবাহক। একটি traditional তিহ্যবাহী মোটরের পরিবর্তে, এটি একটি বৈদ্যুতিক মোটর রোলারকে তার পাওয়ার উত্স হিসাবে ব্যবহার করে। এই কনফিগারেশনটি অতিরিক্ত ড্রাইভের স্থান সংরক্ষণ করে, এটি ইনস্টল করা সহজ করে তোলে। এটি প্যাকেজিং এবং অন্যান্য শিল্পগুলিতে বিশেষত সীমিত স্থান সহ অঞ্চলে ব্যাপকভাবে ব্যবহৃত হয়। এসি ভোল্টেজ সাধারণত হালকা এবং ফ্ল্যাট কার্গো জন্য ব্যবহৃত হয়, যখন ডিসি ভোল্টেজ, এর ধ্রুবক এবং বৃহত্তর টর্ক, বৃহত্তর সুরক্ষা এবং সহজ গতির সামঞ্জস্য কারণে, আরও বহুমুখী
কেন রোলার পরিবাহক রক্ষণাবেক্ষণ সরাসরি সিস্টেমের জীবনকালকে প্রভাবিত করে বেলন পরিবাহক সিস...
আরও পড়ুনকি একটি বেলন পরিবাহক সত্যিই ভারী দায়িত্ব তোলে? একটি ভারী-শুল্ক রোলার পরিবাহক বিপণন দাবি দ্বারা ...
আরও পড়ুনরোলার পরিবাহক কি এবং কেন টাইপ গুরুত্বপূর্ণ? বেলন পরিবাহক ম্যাটেরিয়াল হ্যান্ডলিং সিস্টে...
আরও পড়ুনকেন রোলার পরিবাহক উপাদান হ্যান্ডলিং এর মেরুদণ্ড থেকে যায় বেলন পরিবাহক কায়িক শ্রম হ্রা...
আরও পড়ুনভবিষ্যতে কারুশিল্প নিয়ে আসা।
নং 60, ঝেনহু নর্থ রোড, হুদাই টাউন, বিনহু জেলা , উক্সি 214100, চীন



