একক সারি স্প্রকেট ড্রাইভ রোলার
Cat:স্প্রকেট ড্রাইভ রোলার
প্রকার রোলার আকার রোলার প্রস্থ রোলার উপাদান ...
চালিত রোলার হ'ল এক ধরণের আইডলার রোলার যা চালিত রোলার কনভেয়রগুলিতে ব্যবহৃত হয়, সাধারণত ড্রাইভ চাকা যেমন স্প্রোকেটস, মাল্টি-ওয়েজ পুলি, টাইমিং পুলি, ভি-বেল্ট পুলি বা ও-গ্রোভড রোলারগুলির সাথে সজ্জিত। স্প্রোকেট সহ চালিত রোলারগুলি উচ্চ লোড ক্ষমতা সরবরাহ করে, স্প্রোকেটগুলি সাধারণত ইস্পাত দিয়ে তৈরি এবং লোড প্রয়োজনীয়তার ভিত্তিতে বিভিন্ন স্পেসিফিকেশনে উপলব্ধ। মাল্টি-ওয়েজ পুলি, টাইমিং পুলি এবং ভি-বেল্ট পুলি সহ চালিত রোলারগুলি বেল্ট-চালিত সিস্টেমগুলির জন্য ডিজাইন করা হয়েছে এবং হালকা লোডের সক্ষমতা রয়েছে। ও-গ্রোভড রোলারগুলি হালকা-ডিউটি রোলার কনভেয়রগুলির জন্যও ব্যবহৃত হয়, বেল্ট-চালিত রোলারগুলির চেয়ে কম লোডের সক্ষমতা সহ

প্রকার রোলার আকার রোলার প্রস্থ রোলার উপাদান ...
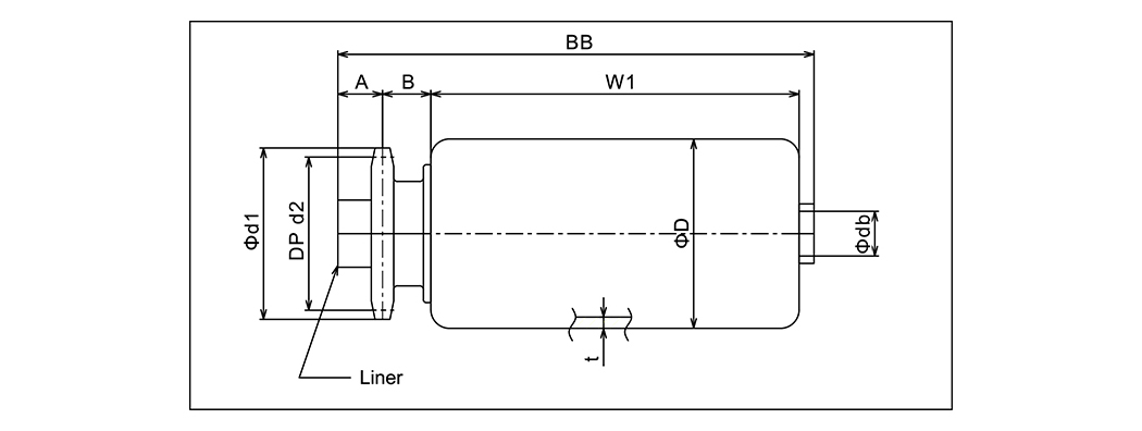
| প্রকার | রোলার আকার | রোলার প্রস্থ | রোলার উপাদান | ভারবহন | শ্যাফ্ট ব্যাস | লাইনার আকার | স্প্রকেট | ডি | ডি 2 | ক | খ | ডাব্লু 1 | বিবি |
| কেআর -384010 এস | 38.1 × 2.3 | 100 ~ 800 | Stkm | 6001zz · 6201z | 12.0 | 18 × 12.2 × 26 | #40 × 10 টি | 46 | 41.1 | 12 | 14 | ডাব্লু -1 | ডাব্লু 28 |
| কেআর -424010 এস | 42.7 × 2.3 | 100 ~ 800 | Stkm | 6001zz · 6201z | 12.0 | 18x12.2 × 26 | #40 × 10 টি | 46 | 41.1 | 12 | 14 | ডাব্লু | ডাব্লু 28 |
| কেআর -484010 এস | 48.6 × 3.5 | 100 ~ 800 | SGP40A | 6001zz · 6201z | 12.0 | 18 × 12.2 × 26 | #40 × 10 টি | 46 | 41.1 | 12 | 11 | ডাব্লু 5 | ডাব্লু 28 |
| কেআর -504010 এস | 50.8 × 1.6 | 100 ~ 800 | Stkm | 6001zz · 6201z | 12.0 | 18 × 12.2 × 26 | #40 × 10 টি | 46 | 41.1 | 12 | 13 | ডাব্লু -1 | ডাব্লু 28 |
| কেআর -574010 এস | 57.1 × 2.1 | 100 ~ 1000 | Stkm | 6001zz · 6201z | 12.0 | 18 × 12.2 × 26 | #40 × 10 টি | 46 | 41.1 | 12 | 13 | ডাব্লু | ডাব্লু 28 |
| কেআর -604010 এস | 60.5 × 2.3 | 100 ~ 1000 | Stkm | 6001zz · 6201z | 12.0 | 18 × 12.2 × 26 | #40 × 10 টি | 46 | 41.1 | 12 | 13 | ডাব্লু | ডাব্লু 28 |
| কেআর -605011 এস | 60.5 × 3। | 100 ~ 1000 | Sgp50a | 6002zz | 15.0 | 21 × 15.2 × 41.5 · 21 × 15.2 × 12 | #50 × 11 টি | 63 | 56.35 | 20 | 18 | ডাব্লু 3 | ডাব্লু 48 |
| কেআর -765011 এস | 76.3 × 4.2 | 100 ~ 1000 | Sgp65a | 6002zz | 15.0 | 21 × 15.2 × 41.5 · 21 × 152 × 12 | #50 × 11 টি | 63 | 56.35 | 20 | 18 | ডাব্লু 2 | ডাব্লু 48 |
| কেআর -605013 এস | 60.5 × 3.8 | 100 ~ 1000 | Sgp50a | 6004zz | 20.0 | 29 × 20.2 × 38.5 · 29 × 20.2 × 15 | #50 × 13TS | 73 | 66.34 | 20 | 18 | ডাব্লু 1 | ডাব্লু 48 |
| কেআর -765013 এস | 76.3 × 4.2 | 100 ~ 1000 | Sgp65a | 6004zz | 20.0 | 29x20.2x38.5 · 29 × 20.2 × 15 | #50 × 13TS | 73 | 66.34 | 20 | 18 | ডাব্লু 2 | ডাব্লু 48 |
| কেআর -895013 এস | 89.1 × 4.2 | 100 ~ 1000 | Sgp80a | 6004zz | 20.0 | 29 × 20.2x38.5 · 29 × 202x15 | #50 × 13TS | 73 | 66.34 | 20 | 18 | ডাব্লু | ডাব্লু 48 |
| কেআর -1146014 এস | 114.3 × 4.5 | 300 ~ 2000 | SGP100A | 6205 জেড | 25.0 | 35 × 26 × 19 · 35 × 26 × 21 | #60 × 14ts | 93 | 85.61 | 20 | 23 | ডাব্লু | ডাব্লু 58 |
| কেআর -1406016 এস | 139.8 × 4.5 | 300 ~ 2000 | SGP125A | 6206zz | 30.0 | 38 × 31.1 × 19 · 38 × 31.1 × 21 | #60 × 16TS | 107 | 97.65 | 20 | 23 | ডাব্লু | ডাব্লু 58 |

প্রকার রোলার আকার রোলার প্রস্থ রোলার উপাদান ...
| প্রকার | রোলার আকার | রোলার প্রস্থ | রোলার উপাদান | ভারবহন | শ্যাফ্ট ব্যাস | লাইনার আকার | স্প্রকেট | ডি 1 | ডি 2 | ক | খ | গ | ডাব্লু 1 | বিবি |
| KR-384010Sডাব্লু | 38.1 × 2.3 | 100 ~ 800 | Stkm | 6001zz · 6201z | 12.0 | 18 × 12.2 × 53 | #40 × 10 টিএসডাব্লু | 46 | 41.1 | 12 | 23 | 18 | ডাব্লু -1 | ডাব্লু 58 |
| KR-424010Sডাব্লু | 42.7 × 2.3 | 100 ~ 800 | Stkm | 6001zz · 6201z | 12.0 | 18 × 12.2 × 53 | #40 × 10 টিএসডাব্লু | 46 | 41.1 | 12 | 23 | 18 | ডাব্লু | ডাব্লু 58 |
| কেআর -484010 এসডাব্লু | 48.6 × 3.5 | 100 ~ 800 | SGP40A | 6001zz · 6201z | 12.0 | 18 × 12.2 × 53 | #40 × 10 টিএসডাব্লু | 46 | 41.1 | 12 | 23 | 15 | ডাব্লু 5 | ডাব্লু 58 |
| কেআর -504010 এসডাব্লু | 50.8 × 1.6 | 100 ~ 800 | Stkm | 6001zz · 6201z | 12.0 | 18 × 12.2 × 53 | #40x10TSডাব্লু | 46 | 41.1 | 12 | 23 | 18 | ডাব্লু -1 | ডাব্লু 58 |
| কেআর -574010 এসডাব্লু | 57.1 × 2.1 | 100 ~ 1000 | Stkm | 6001zz · 6201z | 12.0 | 18 × 12.2 × 53 | #40 × 10 টিএসডাব্লু | 46 | 41.1 | 12 | 23 | 18 | W | ডাব্লু 58 |
| KR-604010SW | 60.5 × 2.3 | 100 ~ 1000 | Stkm | 6001zz · 6201z | 12.0 | 18 × 12.2 × 53 | #40 × 10 টিএসডাব্লু | 46 | 41.1 | 12 | 23 | 18 | W | ডাব্লু 58 |
| কেআর -605011 এসডাব্লু | 60.5 × 3.8 | 100 ~ 1000 | Sgp50a | 6002zz | 15.0 | 21x15.2 × 66.5 · 21 × 15.2x12 | #50 × 11 টিএসডাব্লু | 63 | 56.35 | 20 | 25 | 18 | ডাব্লু 3 | ডাব্লু 73 |
| কেআর -765011 এসডাব্লু | 76.3 × 4.2 | 100 ~ 1000 | Sgp65a | 6002zz | 15.0 | 21 × 15.2 × 66.5 · 21 × 15.2 × 12 | #50 × 11 টিএসডাব্লু | 63 | 56.35 | 20 | 25 | 18 | ডাব্লু 2 | ডাব্লু 73 |
| কেআর -605013 এসডাব্লু | 60.5 × 3.8 | 100 ~ 1000 | Sgp50a | 6004zz | 20.0 | 29 × 20.2 × 63.5 · 29 × 20.2 × 15 | #50 × 13 টিএসডাব্লু | 73 | 66.34 | 20 | 25 | 18 | ডাব্লু 1 | ডাব্লু 73 |
| কেআর -765013 এসডাব্লু | 76.3 × 4.2 | 100 ~ 1000 | Sgp65a | 600422 | 20.0 | 29 × 20.2 × 63.5 · 29 × 20.2x15 | #50 × 13 টিএসডাব্লু | 73 | 66.34 | 20 | 25 | 18 | ডাব্লু 2 | ডাব্লু 73 |
| কেআর -895013 এসডাব্লু | 89.1 × 4.2 | 100 ~ 1000 | Sgp80a | 6004zz | 20.0 | 29 × 20.2 × 63.5 · 29 × 20.2 × 15 | #50 × 13 টিএসডাব্লু | 73 | 66.34 | 20 | 25 | 18 | W | ডাব্লু 7 |

প্রকার রোলার আকার রোলারউইথ রোলার ম্যাটেনাল ব...
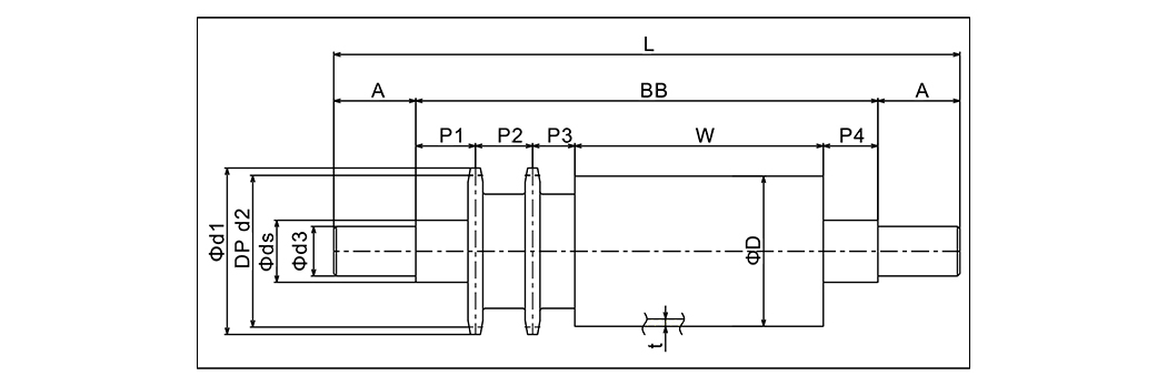
| প্রকার | রোলার আকার | রোলারউইথ | রোলার ম্যাটেনাল | বিয়ারং | শ্যাফ্ট ব্যাস | স্প্রকেট | ডি 1 | ডি 2 | ডি 3 | ক | এল | বিবি | পি 1 | পি 2 | পি 3 | পি 4 |
| কেপিআর -574015 এসডাব্লু | 57.2 × 2.6 | 300 ~ 2000 | Stkm | ইউসিপিএ 204 | 25xডাব্লু 152 | #40 × 15 টিএসডাব্লু | 67 | 61.08 | 20 | 33 | ডাব্লু 152 | ডাব্লু 86 | 24 | 23 | 17 | 22 |
| কেপিআর -604015 এসডাব্লু | 60.5 × 3.8 | 300 ~ 2000 | Stkm | ইউসিপিএ 204 | 25xW 152 | #40 × 15 টিএসডাব্লু | 67 | 61.08 | 20 | 33 | W 152 | ডাব্লু 86 | 24 | 23 | 17 | 22 |
| কেপিআর -765013sw | 76.3 × 4.2 | 300 ~ 2000 | Sgp65a | ইউসিপিএ 204 | 25xডাব্লু 163 | #50 × 13 টিএসডাব্লু | 73 | 66.34 | 20 | 33 | W 163 | ডাব্লু 97 | 32 | 25 | 18 | 22 |
| কেপিআর -895013 এসডাব্লু | 89.1 × 4.2 | 300 ~ 2000 | Sgp80a | ইউসিপিএ 206 | 35xডাব্লু 169 | #50 × 13 টিএসডাব্লু | 73 | 66.34 | 30 | 39 | ডাব্লু 169 | ডাব্লু 91 | 29 | 25 | 18 | 19 |
| কেপিআর -1015018sw | 101.6 × 4.5 | 300 ~ 2000 | Sgp90a | ইউসিপিএ 206 | 35xডাব্লু 169 | #50 × 18 টিএসডাব্লু | 98 | 91.42 | 30 | 39 | ডাব্লু 169 | ডাব্লু 91 | 29 | 25 | 18 | 19 |
| কেপিআর -1145018sw | 114.3 × 4.5 | 300 ~ 2000 | SGP100A | ইউসিপিএ 206 | 35xW 169 | #50 × 18 টিএসডাব্লু | 98 | 91.42 | 30 | 39 | W 169 | ডাব্লু 91 | 29 | 25 | 18 | 19 |
| কেপিআর -1405018sw | 139.8 × 4.5 | 300 ~ 2000 | SGP125A | ইউসিপিএ 206 | 35xW 169 | #50 × 18 টিএসডাব্লু | 98 | 91.42 | 30 | 39 | W 169 | ডাব্লু 91 | 29 | 25 | 18 | 19 |

প্রকার রোলার আকার রোলার প্রস্থ রোলার উপাদান ...
| প্রকার | রোলার আকার | রোলার প্রস্থ | রোলার উপাদান | ভারবহন | শ্যাফ্ট ব্যাস | লাইনার আকার | স্প্রকেট | |||||
| ম্যাক-সিএন 384010 এস | 38.1 × 2.3 | 100 ~ 800 | Stkm | 6001zz · 6201z | 12.0 | 18 × 12.2 × 17 | #40 × 10 টি | |||||
| ম্যাক-সিএন 424010 এস | 42.7 × 2.3 | 100 ~ 1000 | Stkm | 6001zz · 6201z | 12.0 | 18x12.2 × 17 | #40 × 10 টি | |||||
| ম্যাক-সিএন 484010 এস | 48.6 × 3.5 | 100 ~ 1000 | SGP40A | 60012z · 6201z | 12.0 | 18 × 12.2 × 17 | #40 × 10 টি | |||||
| ম্যাক-সিএন 504010 এস | 50.8 × 1.6 | 100 ~ 1000 | Stkm | 6001zz · 6201z | 12.0 | 18 × 12.2 × 17 | #40 × 10 টি | |||||
| ম্যাক-সিএন 574010 এস | 57.1 × 2.1 | 100 ~ 1000 | Stkm | 6001zz · 6201z | 12.0 | 18 × 12.2 × 17 | #40 × 10 টি | |||||
| ম্যাক-সিএন 604010 এস | 60.5 × 2.3 | 100 ~ 1000 | Stkm | 6001zz · 6201z | 12.0 | 18 × 12.2 × 17 | #40 × 10 টি | |||||
| প্রকার | রোলার আকার | রোলার প্রস্থ | রোলার উপাদান | ভারবহন | শ্যাফ্ট ব্যাস | স্প্রকেট | ||||||
| ম্যাক-সিএস 384010 এস | 38.1 × 2.3 | 100 ~ 800 | Stkm | 6001zz · 6201z | 12.0 | #40 × 10 টি | ||||||
| ম্যাক-সিএস 424010 এস | 42.7 × 2.3 | 100 ~ 1000 | Stkm | 6001zz · 6201z | 12.0 | #40 × 10 টি | ||||||
| ম্যাক-সিএস 484010 এস | 48.6 × 3.5 | 100 ~ 1000 | SGP40A | 6001zz · 6201z | 12.0 | #40 × 10 টি | ||||||
| ম্যাক-সিএস 504010 এস | 50.8 × 1.6 | 100 ~ 1000 | Stkm | 6001zz · 6201z | 12.0 | #40 × 10 টি | ||||||
| ম্যাক-সিএস 574010 এস | 57.1 × 2.1 | 100 ~ 1000 | Stkm | 6001zz · 6201z | 12.0 | #40 × 10 টি | ||||||
| ম্যাক-সিএস 604010 এস | 60.5 × 2.3 | 100 ~ 1000 | Stkm | 6001zz · 6201z | 12.0 | #40 × 10TS | ||||||

প্রকার রোলার আকার রোলার প্রস্থ রোলার উপাদান ...
| প্রকার | রোলার আকার | রোলার প্রস্থ | রোলার উপাদান | ভারবহন | শ্যাফ্ট ব্যাস | লাইনার আকার | স্প্রকেট |
| MAC-CN384010SW | 38.1 × 2.3 | 100 ~ 800 | Stkm | 6001z · 6201z | 12.0 | 18 × 12.2 × 17 | #40 × 10 টি |
| MAC-CN424010SW | 42.7 × 2.3 | 100 ~ 1000 | Stkm | 6001zz · 6201z | 12.0 | 18 × 12.2 × 17 | #40 × 10 টি |
| MAC-CN484010SW | 48.6 × 3.5 | 100 ~ 1000 | SGP40A | 6001zz · 6201z | 12.0 | 18 × 12.2 × 17 | #40 × 10 টি |
| MAC-CN504010SW | 50.8 × 1.6 | 100 ~ 1000 | Stkm | 6001z · 6201z | 12.0 | 18 × 12.2 × 17 | #40 × 10 টি |
| MAC-CN574010SW | 57.1 × 2.1 | 100 ~ 1000 | Stkm | 6001zz · 6201z | 12.0 | 18 × 12.2 × 17 | #40 × 10 টি |
| MAC-CN604010SW | 60.5 × 2.3 | 100 ~ 1000 | Stkm | 6001zz · 6201z | 12.0 | 18 × 12.2 × 17 | #40 × 10TS |

প্রকার রোলার আকার রোলার প্রস্থ রোলার উপাদান ...
| প্রকার | রোলার আকার | রোলার প্রস্থ | রোলার উপাদান | ভারবহন | শ্যাফ্ট ব্যাস | লাইনার আকার | স্প্রকেট | ডি 1 | ডি 2 |
| MAC-CN605010SW | 60.5 × 2.3 | 100 ~ 1000 | Stkm | 6002z7 · 61902z | 15.0 | 20 × 15.2 × 16 | #50 × 10TS | 57.43 | 51.37 |
| MAC-CN765013SW | 76.3 × 2.0 | 100 ~ 1000 | Stkm | 6204 জেড · 61904z | 20.0 | 25 × 20.2 × 22 | #50 × 13TS | 73 | 66.34 |

আর সেন্টার 1000 মোট দৈর্ঘ্য রোলার প্রস্থ ...
| আর সেন্টার | 1000 | মোট দৈর্ঘ্য | রোলার প্রস্থ | পরিবাহক প্রশস্ত | সরু পথ | বড় ব্যাস | রোলার লোড হচ্ছে | রোলারের ওজন | |||
| স্প্রকেট | #40 × 10 টিএসডাব্লু | (∅) | বেধ | (∅) | বেধ | ||||||
| ডাব্লু রোলার প্রস্থ | 200 ~ 600 | 258 | 200 | 260 | 51.5 | 3.0 | 62.5 | 2.6 | 1842 | 1236 | |
| রোলার উপাদান | Stkm | 358 | 300 | 360 | 48.8 | 3.0 | 65.2 | 2.6 | 1215 | 1643 | |
| বিয়ানিং | 6001zz · 6201z | 458 | 400 | 460 | 46.0 | 3.1 | 68.0 | 2.6 | 911 | 2050 | |
| ডিবি শ্যাফ্ট ব্যাস | 12.0 | 558 | 500 | 560 | 43.3 | 3.2 | 70.7 | 2.4 | 725 | 2456 | |
| ডিসি × ডিসি × এলসি/লাইনার আকার | 18 × 12.2 × 53 · 18 × 12.2 × 7 | 658 | 600 | 660 | 41.3 | 3.3 | 74.0 | 2.3 | 597 | 2863 | |
| আর সেন্টার | 1200 | মোট দৈর্ঘ্য | রোলার প্রস্থ | পরিবাহক প্রশস্ত | সরু পথ | বড় ব্যাস | রোলার লোড হচ্ছে | রোলারের ওজন | |||
| স্প্রকেট | #40 × 10 টিএসডাব্লু | (∅) | বেধ | (∅) | বেধ | ||||||
| ডাব্লু রোলার প্রস্থ | 200 ~ 600 | 258 | 200 | 260 | 52.1 | 2.9 | 61.9 | 2.5 | 1842 | 1.132 | |
| রোলার উপাদান | Stkm | 358 | 300 | 360 | 49.7 | 3.0 | 64.3 | 2.4 | 1215 | 1487 | |
| বিয়ানিং | 6001zz · 6201z | 458 | 400 | 460 | 47.3 | 3.1 | 65.7 | 2.4 | 911 | 1842 | |
| ডিবি শ্যাফ্ট ব্যাস | 12.0 | 558 | 500 | 560 | 45.0 | 3.2 | 69.2 | 2.8 | 725 | 2197 | |
| ডিসি × ডিসি × এলসি/লাইনার আকার | 18 × 12.2 × 53 · 18 × 12.2 × 7 | 658 | 600 | 660 | 45.0 | 3.2 | 74.0 | 2 | 597 | 2552 | |
| আর সেন্টার | 1500 | মোট দৈর্ঘ্য | রোলার প্রস্থ | পরিবাহক প্রশস্ত | সরু পথ | বড় ব্যাস | রোলার লোড হচ্ছে | রোলারের ওজন | |||
| স্প্রকেট | #40 × 10 টিএসডাব্লু | (∅) | বেধ | (∅) | বেধ | ||||||
| ডাব্লু রোলার প্রস্থ | 200 ~ 600 | 258 | 200 | 260 | 52.6 | 2.7 | 61.4 | 2.8 | 1842 | 1233 | |
| রোলার উপাদান | Stkm | 358 | 300 | 360 | 50.4 | 2.9 | 63.6 | 2.7 | 1215 | 1645 | |
| বিয়ানিং | 6001zz · 6201z | 458 | 400 | 460 | 48.0 | 3.1 | 65.4 | 2.4 | 911 | 2046 | |
| ডিবি শ্যাফ্ট ব্যাস | 12.0 | 558 | 500 | 560 | 48.0 | 3.4 | 69.8 | 2.4 | 725 | 2452 | |
| ডিসি × ডিসি × এলসি/লাইনার আকার | 18 × 12.2 × 53 · 18 × 12.2 × 7 | 658 | 600 | 660 | 48.0 | 3.1 | 74.0 | 2.1 | 597 | 2.86 | |
| আর সেন্টার | 2000 | মোট দৈর্ঘ্য | রোলার প্রস্থ | কনভেয়ারের wde | সরু পথ | বড় ব্যাস | রোলার লোড হচ্ছে | রোলারের ওজন | |||
| স্প্রকেট | #40 × 10 টিএসডাব্লু | (∅) | বেধ | (∅) | বেধ | ||||||
| ডাব্লু রোলার প্রস্থ | 400 ~ 800 | 458 | 400 | 460 | 50.0 | 3.0 | 62.5 | 2.3 | 911 | 1990 | |
| রোলার উপাদান | Stkm | 558 | 500 | 560 | 50.0 | 3.0 | 65.6 | 2.2 | 725 | 2398 | |
| বিয়ানিং | 6001zz · 6201z | 658 | 600 | 660 | 50.0 | 3.0 | 68.8 | 2.2 | 597 | 2797 | |
| ডিবি শ্যাফ্ট ব্যাস | 12.0 | 758 | 700 | 760 | 50.0 | 3.0 | 71.9 | 2.1 | 519 | 3210 | |
| ডিসি × ডিসি × এলসি/লাইনার আকার | 18 × 12.2 × 53 · 18 × 12.2 × 7 | 858 | 800 | 860 | 50.0 | 3.0 | 75.0 | 2.0 | 450 | 3620 | |

আর সেন্টার 500 মোট দৈর্ঘ্য রোলার প্রস্থ ...
| আর সেন্টার | 500 | মোট দৈর্ঘ্য | রোলার প্রস্থ | পরিবাহক প্রশস্ত | সরু পথ | বড় ব্যাস | |
| স্প্রকেট | #40 × 10 টিএসডাব্লু | (∅) | (∅) | ||||
| ডাব্লু রোলার প্রস্থ | 300 ~ 700 | 328 | 300 | 330 | 42.7 | 60 | |
| রোলার উপাদান | Stkm | 428 | 400 | 430 | 42.7 | 65 | |
| বিয়ানিং | 6001zz · 6201z | 528 | 500 | 530 | 42.7 | 75 | |
| ডিবি শ্যাফ্ট ব্যাস | 12.0 | 628 | 600 | 630 | 42.7 | 80 | |
| ডিসি × ডিসি × এলসি/লাইনার আকার | 18 × 12.2 × 27 · 18 × 12.2 × 7 | 728 | 700 | 730 | 42.7 | 89 |
| আর সেন্টার | 900 | মোট দৈর্ঘ্য | রোলার প্রস্থ | পরিবাহক প্রশস্ত | সরু পথ | বড় ব্যাস | |
| স্প্রকেট | #40 × 10 টিএসডাব্লু | (∅) | (∅) | ||||
| ডাব্লু রোলার প্রস্থ | 300 ~ 700 | 328 | 300 | 330 | 42.7 | 56 | |
| রোলার উপাদান | Stkm | 428 | 400 | 430 | 42.7 | 60 | |
| বিয়ানিং | 6001zz · 6201z | 528 | 500 | 530 | 42.7 | 65 | |
| ডিবি শ্যাফ্ট ব্যাস | 12.0 | 628 | 600 | 630 | 42.7 | 70 | |
| ডিসি × ডিসি × এলসি/লাইনার আকার | 18 × 12.2 × 27 · 18 × 12.2 × 7 | 728 | 700 | 730 | 42.7 | 75 |
| আর সেন্টার | 900 | মোট দৈর্ঘ্য | রোলার প্রস্থ | পরিবাহক প্রশস্ত | সরু পথ | বড় ব্যাস | |
| স্প্রকেট | #40 × 10 টিএসডাব্লু | (∅) | (∅) | ||||
| ডাব্লু রোলার প্রস্থ | 800 ~ 1000 | 828 | 800 | 830 | 42.7 | 65 | |
| রোলার উপাদান | Stkm | 928 | 900 | 930 | 42.7 | 70 | |
| বিয়ানিং | 6001zz · 6201z | 1028 | 1000 | 1030 | 42.7 | 75 | |
| ডিবি শ্যাফ্ট ব্যাস | 12.0 | ||||||
| ডিসি × ডিসি × এলসি/লাইনার আকার | 18 × 12.2 × 27 · 18 × 12.2 × 7 |

প্রকার রোলার আকার রোলার প্রস্থ রোলার উপাদান ...
| প্রকার | রোলার আকার | রোলার প্রস্থ | রোলার উপাদান | ভারবহন | শ্যাফ্ট ব্যাস | পলিভি পুলি |
| ডিকিউআর -3812 | 38.1 × 12 | 100 ~ 1000 | Stkm | 6001zz | 12.0 | প্রশ্ন 235 |
| DQRS-3815 | 38.1 × 1.5 | 100 ~ 1000 | SOS304/201 | 6001zz | 12.0 | প্রশ্ন 235/সুস |
| ডিকিউআর -5015 | 50.8 × 1.5 | 100 ~ 1000 | Stkm | 6002zz | 12.0 | রজন |
| ডিকিউআরএস -5015 | 50 × 1.5 | 100 ~ 1000 | SOS304/201 | 6002zz | 12.0 | রজন |
| ডিকিউআর -5721 | 57.2 × 2.1 | 100 ~ 1000 | Stkm | 6001zz | 12.0 | প্রশ্ন 235 |
| DQR-6023 | 60.5 × 2.3 | 100 ~ 1000 | Stkm | 6002zz | 12.0 | প্রশ্ন 235 |
| ডিকিউআরএস -6020 | 60 × 2.0 | 100 ~ 1000 | SOS304/201 | 6002zz | 12.0 | প্রশ্ন 235/সুস/রজন |
| ডিকিউআর -7620 | 76.3 × 2.0 | 100 ~ 1000 | Stkm | 6001zz | 12.0 | প্রশ্ন 235 |
| ডিকিউআরএস -7620 | 76 × 2.0 | 100 ~ 1000 | SOS304/201 | 6001zz | 12.0 | Q235/SUS |

প্রকার রোলার আকার রোলার প্রস্থ রোলার উপাদান ...
| প্রকার | রোলার আকার | রোলার প্রস্থ | রোলার উপাদান | ভারবহন | শ্যাফ্ট ব্যাস | Vnbbed pully |
| ভিআর -3812 | 38.1 × 1.2 | 100 ~ 1000 | Stkm | 6001zz | 12.0 | প্রশ্ন 235 |
| ভিআরএস -3815 | 38 × 1.5 | 100 ~ 1000 | SOS304/201 | 6001zz | 12.0 | প্রশ্ন 235/সুস |
| ভিআর -5015 | 50.8 × 1.5 | 100 ~ 1000 | Stkm | 6001zz | 12.0 | প্রশ্ন 235 |
| ভিআরএস -5015 | 50 × 1.5 | 100 ~ 1000 | SOS304/201 | 6001zz | 12.0 | প্রশ্ন 235/সুস |
| ভিআর -5721 | 57.2 × 2.1 | 100 ~ 1000 | Stkm | 6001zz | 12.0 | প্রশ্ন 235 |
| ভিআর -6023 | 60.5 × 2.3 | 100 ~ 1000 | Stkm | 6001zz | 12.0 | প্রশ্ন 235 |
| ভিআরএস -6020 | 60 × 2.0 | 100 ~ 1000 | SOS304/201 | 6001zz | 12.0 | প্রশ্ন 235/সুস |
| ভিআর -7620 | 76.3 × 2.0 | 100 ~ 1000 | Stkm | 6001zz | 12.0 | প্রশ্ন 235 |
| ভিআরএস -7620 | 76 × 2.0 | 100 ~ 1000 | SOS304/201 | 6001zz | 12.0 | Q235/SUS |

প্রকার রোলার আকার রোলার প্রস্থ রোলার উপাদান ...
| প্রকার | রোলার আকার | রোলার প্রস্থ | রোলার উপাদান | শ্যাফ্ট ব্যাস | ভারবহন |
| Or-3812 | 38.1 × 1.2 | 100 ~ 1000 | Stkm | 12.0 | এসএস |
| ORS-3815 | 38.1 × 1.5 | 100 ~ 1000 | SOS304/201 | 12.0 | এসএস/সুস |
| Or-4214 | 42.7 × 1.4 | 100 ~ 1000 | Stkm | 12.0 | এসএস |
| Or-5015 | 50.8 × 1.5 | 100 ~ 1000 | Stkm | 12.0 | এসএস |
| ORS-5015 | 50 × 1.5 | 100 ~ 1000 | SOS304/201 | 12.0 | এসএস/রজন |
| Or-5721 | 57.2 × 2.1 | 100 ~ 1000 | Stkm | 12.0 | এসএস |
| Or-6023 | 60.5 × 2.3 | 100 ~ 1000 | Stkm | 12.0 | এসএস |
| ORS-6020 | 60 × 2.0 | 100 ~ 1000 | SOS304/201 | 12.0 | এসএস/রজন |
কেন রোলার পরিবাহক রক্ষণাবেক্ষণ সরাসরি সিস্টেমের জীবনকালকে প্রভাবিত করে বেলন পরিবাহক সিস...
আরও পড়ুনকি একটি বেলন পরিবাহক সত্যিই ভারী দায়িত্ব তোলে? একটি ভারী-শুল্ক রোলার পরিবাহক বিপণন দাবি দ্বারা ...
আরও পড়ুনরোলার পরিবাহক কি এবং কেন টাইপ গুরুত্বপূর্ণ? বেলন পরিবাহক ম্যাটেরিয়াল হ্যান্ডলিং সিস্টে...
আরও পড়ুনকেন রোলার পরিবাহক উপাদান হ্যান্ডলিং এর মেরুদণ্ড থেকে যায় বেলন পরিবাহক কায়িক শ্রম হ্রা...
আরও পড়ুনউক্সি হুইকিয়ান এর পণ্য সুবিধা চালিত রোলার : উচ্চ স্থায়িত্ব এবং লোড বহন ক্ষমতা
উন্নত জাপানি লজিস্টিক প্রযুক্তির সংহতকরণের জন্য খ্যাতিমান ওউসি হুইকিয়ান লজিস্টিক মেশিনারি ম্যানুফ্যাকচারিং কোং, লিমিটেড, উপাদান হ্যান্ডলিং শিল্পে উদ্ভাবনের শীর্ষস্থানীয়। সংস্থাটি সহ উচ্চমানের লজিস্টিক সরঞ্জামগুলির বিস্তৃত উত্পাদন করতে বিশেষী চালিত রোলার , রোলার কনভেয়র এবং অন্যান্য বিভিন্ন সমালোচনামূলক উপাদান। নির্ভুলতা, নির্ভরযোগ্যতা এবং পারফরম্যান্সের জন্য একটি কমামিটমেন্টের সাথে, উক্সি হুইকিয়ানের চালিত রোলারগুলি দক্ষ এবং নির্ভরযোগ্য উপাদান হ্যান্ডলিং সিস্টেমের উপর নির্ভর করে এমন শিল্পগুলির বিভিন্ন চাহিদা মেটাতে ডিজাইন করা হয়েছে।
চালিত রোলারগুলি অনেক লজিস্টিক এবং উত্পাদন প্রক্রিয়াতে গুরুত্বপূর্ণ ভূমিকা পালন করে। বড়, ভারী আইটেম বা ছোট প্যাকেজগুলি সরানোর জন্য, এই রোলারগুলি স্বয়ংক্রিয় সিস্টেমগুলির সাথে অবিচ্ছেদ্য যা কর্মপ্রবাহকে প্রবাহিত করে এবং দক্ষতা বৃদ্ধি করে। স্প্রকেট ড্রাইভ রোলার এবং টেপার্ড ড্রাইভ রোলার সহ উক্সি হুইকিয়ানের চালিত রোলারগুলি বিভিন্ন অপারেশনাল পরিবেশে স্থায়িত্ব এবং সর্বোত্তম পারফরম্যান্সের জন্য ইঞ্জিনিয়ার করা হয়। উন্নত উপকরণ, কাটিয়া প্রান্ত প্রযুক্তি এবং কাস্টমাইজযোগ্য ডিজাইনের সংমিশ্রণ এই রোলারগুলিকে বিশ্বজুড়ে শিল্পগুলির জন্য একটি পছন্দসই পছন্দ করে তোলে।
উক্সি হুইকিয়ান চালিত রোলার চাহিদাযুক্ত পরিবেশে ভারী বোঝা এবং অবিচ্ছিন্ন ব্যবহার প্রতিরোধ করার জন্য ডিজাইন করা হয়েছে। রোলারগুলি উচ্চ-শক্তি উপকরণ যেমন ইস্পাত এবং স্টেইনলেস স্টিলের ব্যবহার করে নির্মিত হয়, যা কঠোর অবস্থার মধ্যে এমনকি দীর্ঘস্থায়ী কর্মক্ষমতা নিশ্চিত করে। এই উপকরণগুলির দৃ ust ়তা গ্যারান্টি দেয় যে রোলারগুলি হালকা শিল্প উপাদান থেকে শুরু করে ভারী যন্ত্রপাতি অংশগুলিতে তাদের কাঠামোগত অখণ্ডতার সাথে আপস না করে বিভিন্ন লোড সক্ষমতা পরিচালনা করতে পারে।
স্প্রকেট ড্রাইভ রোলারগুলি, বিশেষত, টেকসই, উচ্চমানের ইস্পাত দিয়ে তৈরি করা হয়েছে যাতে তারা অ্যাপ্লিকেশনগুলির দাবিতে কনভেয়র সিস্টেমগুলি চালানোর জন্য প্রয়োজনীয় টর্ককে সহ্য করতে পারে তা নিশ্চিত করার জন্য। একইভাবে, মসৃণ অপারেশনের সুবিধার্থে একটি কোণ দিয়ে ডিজাইন করা টেপার্ড ড্রাইভ রোলারগুলি ভারী লোড অবস্থার অধীনে উচ্চ শক্তি এবং স্থায়িত্ব প্রদর্শন করে। উন্নত উপাদান নির্বাচন পরিধান এবং টিয়ারকে হ্রাস করে, রোলারদের একটি বর্ধিত জীবনকাল ধরে সঞ্চালনের ক্ষমতা বাড়িয়ে তোলে।
Wuxi হুইকিয়ান চালিত রোলারগুলির অন্যতম মূল সুবিধা হ'ল নির্দিষ্ট গ্রাহকের প্রয়োজনীয়তা পূরণের জন্য তাদের বহুমুখিতা এবং অভিযোজনযোগ্যতা। হেলমে একটি শক্তিশালী গবেষণা ও উন্নয়ন দল সহ, সংস্থাটি কাস্টমাইজড সমাধানগুলি বিকাশ করতে পারে যা অনন্য অপারেশনাল প্রয়োজনের সাথে সামঞ্জস্য করে। চালিত রোলারগুলি বিস্তৃত অ্যাপ্লিকেশনগুলির সাথে মানানসই আকার, উপাদান এবং কার্যকারিতার দিক দিয়ে তৈরি করা যেতে পারে। এটি রোলার ব্যাস, দৈর্ঘ্য, বা বিশেষায়িত আবরণ যুক্ত করা কাস্টমাইজ করা হোক না কেন, উক্সি হুইকিয়ান গ্রাহকদের সাথে ঘনিষ্ঠভাবে কাজ করে যাতে পণ্যটি সঠিক স্পেসিফিকেশনের সাথে মেলে।
উপযুক্ত সমাধান সরবরাহ করার ক্ষমতা এই চালিত রোলারগুলিকে মোটরগাড়ি উত্পাদন, খাদ্য ও পানীয় উত্পাদন, গুদাম, রসদ এবং ই-বাণিজ্য সহ বিভিন্ন শিল্পের জন্য আদর্শ করে তোলে। রোলারগুলি বিভিন্ন ধরণের কনভেয়র সিস্টেম এবং উত্পাদন লাইনের সাথে ফিট করার জন্য অভিযোজিত হতে পারে, এটি কোনও উপাদান হ্যান্ডলিং অপারেশনে একটি বহুমুখী উপাদান হিসাবে তৈরি করে।
উক্সি হুইকিয়ান তার যথার্থ ইঞ্জিনিয়ারিংয়ের উচ্চ মানের জন্য পরিচিত, যা চালিত রোলারগুলির নির্ভরযোগ্য কর্মক্ষমতা নিশ্চিত করার জন্য গুরুত্বপূর্ণ। ব্যতিক্রমী নির্ভুলতার সাথে তার চালিত রোলারগুলি তৈরি করতে সংস্থাটি উন্নত সিএনসি (কম্পিউটার সংখ্যা নিয়ন্ত্রণ) মেশিন ব্যবহার করে। এই নির্ভুলতা গ্যারান্টি দেয় যে রোলারগুলি প্রতিটি অনন্য অ্যাপ্লিকেশনের জন্য প্রয়োজনীয় স্পেসিফিকেশনগুলিতে উত্পাদিত হয়, ত্রুটি বা অদক্ষতার সম্ভাবনা হ্রাস করে।
সিএনসি যন্ত্রপাতি ব্যবহারের বিষয়টিও নিশ্চিত করে যে রোলারগুলি বড় পরিমাণে ধারাবাহিকভাবে তৈরি করা হয়, এটি উচ্চ উত্পাদন মান বজায় রাখা এবং ত্রুটির ঝুঁকি হ্রাস করা সম্ভব করে তোলে। নির্ভুলতাটি স্প্রোকেটস এবং টেপার্ড বৈশিষ্ট্যগুলির নকশায়ও প্রসারিত, এই সমালোচনামূলক উপাদানগুলি চূড়ান্ত সমাবেশে সুচারু এবং নির্বিঘ্নে সম্পাদন করে তা নিশ্চিত করে।
Wuxi হুইকিয়ান চালিত রোলারগুলি ন্যূনতম রক্ষণাবেক্ষণের প্রয়োজনে উচ্চ অপারেশনাল দক্ষতা সরবরাহ করার জন্য ডিজাইন করা হয়েছে। রোলারগুলি ঘর্ষণ এবং পরিধান হ্রাস করার জন্য ইঞ্জিনিয়ার করা হয়, যা রক্ষণাবেক্ষণের কাজের ফ্রিকোয়েন্সি হ্রাস করে এবং সরঞ্জামগুলির পরিষেবা জীবনকে প্রসারিত করে। এই বৈশিষ্ট্যটি এমন শিল্পগুলিতে বিশেষত গুরুত্বপূর্ণ যেখানে অবিচ্ছিন্ন অপারেশন প্রয়োজন এবং ডাউনটাইম অবশ্যই হ্রাস করতে হবে।
স্প্রকেট ড্রাইভ রোলারগুলি ইন্টারলকিং দাঁতগুলির সাথে ডিজাইন করা হয়েছে যা পিচ্ছিল হ্রাস করে এবং বিদ্যুতের স্থানান্তরকে বাড়িয়ে তোলে, নিশ্চিত করে যে কনভেয়র সিস্টেমটি উচ্চ লোডের শর্তে এমনকি দক্ষতার সাথে পরিচালনা করে। একইভাবে, টেপার্ড ড্রাইভ রোলারগুলি কনভেয়র বেল্ট বা আশেপাশের উপাদানগুলির ক্ষতির ঝুঁকি হ্রাস করার জন্য ডিজাইন করা হয়েছে, সিস্টেমের সামগ্রিক নির্ভরযোগ্যতা উন্নত করে।
Wuxi হুইকিয়ানের চালিত রোলারগুলির নিম্ন-রক্ষণাবেক্ষণের নকশা রক্ষণাবেক্ষণের প্রয়োজনীয়তা এবং অপ্রত্যাশিত ডাউনটাইমের সম্ভাবনা হ্রাস করে অপারেশনাল ব্যয় হ্রাস করে। অধিকন্তু, সংস্থাটি বিক্রয়-পরবর্তী পরিষেবা ব্যবস্থা সরবরাহ করে, যে কোনও সমস্যা তাত্ক্ষণিকভাবে সমাধান করা হয়েছে এবং গ্রাহকরা তাদের সরঞ্জামগুলির মসৃণ ক্রিয়াকলাপ বজায় রাখতে পারে তা নিশ্চিত করে।
উক্সি হুইকিয়ান থেকে চালিত রোলারগুলি শক্তি-দক্ষ হিসাবে ডিজাইন করা হয়েছে, যা উপাদান হ্যান্ডলিং সিস্টেমগুলির অপারেটিং ব্যয় হ্রাস করার জন্য গুরুত্বপূর্ণ। কনভেয়র সিস্টেমগুলি চালানোর জন্য প্রয়োজনীয় শক্তি বজায় রেখে শক্তি খরচ হ্রাস করতে রোলারগুলি ইঞ্জিনিয়ার করা হয়। শক্তি দক্ষতার উপর এই ফোকাস ব্যবসায়ের জন্য নিম্ন বিদ্যুতের বিলগুলিতে অনুবাদ করে, সামগ্রিক ব্যয় সাশ্রয় এবং পরিবেশগত স্থায়িত্বকে অবদান রাখে।
এমন এক যুগে যেখানে ব্যবসায়গুলি তাদের পরিবেশগত প্রভাব নিয়ে ক্রমবর্ধমানভাবে উদ্বিগ্ন, সেখানে উক্সি হুইকিয়ানদের চালিত রোলারগুলির শক্তি-দক্ষ নকশা নিশ্চিত করে যে সংস্থাগুলি কর্মক্ষমতা বা নির্ভরযোগ্যতা ত্যাগ ছাড়াই টেকসইভাবে পরিচালনা করতে পারে।
স্প্রোকেট ড্রাইভ রোলারগুলি কনভেয়র সিস্টেমে সর্বাধিক ব্যবহৃত ধরণের চালিত রোলারগুলির মধ্যে একটি। এই রোলারগুলি একটি চেইন দ্বারা চালিত হওয়ার জন্য ডিজাইন করা হয়েছে এবং মসৃণ এবং নির্ভরযোগ্য অপারেশন নিশ্চিত করে এমন স্প্রোকেটগুলিতে সজ্জিত যা চেইনের সাথে ইন্টারলক করে। স্প্রোকেট ড্রাইভ রোলারগুলির জন্য ব্যবহৃত উপাদানগুলি সাধারণত উচ্চ-মানের স্টিল বা স্টেইনলেস স্টিল, এটি তার শক্তি, স্থায়িত্ব এবং চেইন ড্রাইভ দ্বারা উত্পাদিত টর্ককে পরিচালনা করার দক্ষতার জন্য বেছে নেওয়া হয়।
উক্সি হুইকিয়ান থেকে স্প্রকেট ড্রাইভ রোলারগুলি সুনির্দিষ্ট সহনশীলতার সাথে ডিজাইন করা হয়েছে যাতে স্প্রোকেটগুলি চেইনের সাথে পুরোপুরি ফিট করে, স্লিপেজকে হ্রাস করে এবং সর্বাধিক শক্তি সংক্রমণকে সর্বাধিক করে তোলে তা নিশ্চিত করার জন্য ডিজাইন করা হয়েছে। রোলারগুলি পরিধান এবং জারা প্রতিরোধ করার জন্যও চিকিত্সা করা হয়, তাদের দীর্ঘায়ু বৃদ্ধি করে এবং রক্ষণাবেক্ষণের প্রয়োজনীয়তা হ্রাস করে। উচ্চ-শক্তি উপকরণগুলির ব্যবহার নিশ্চিত করে যে এই রোলারগুলি ভারী বোঝা পরিচালনা করতে পারে, এগুলি উত্পাদন, প্যাকেজিং এবং বিতরণে শিল্প অ্যাপ্লিকেশনগুলির জন্য উপযুক্ত করে তোলে।
টেপার্ড ড্রাইভ রোলারগুলির একটি শঙ্কু-আকৃতির নকশা বৈশিষ্ট্যযুক্ত যা একটি পরিবাহক সিস্টেমে উপকরণগুলির মসৃণ এবং দক্ষ চলাচলের অনুমতি দেয়। টেপারটি নিশ্চিত করে যে উপকরণগুলি কনভেয়র বরাবর সহজেই গাইড করা হয়েছে, ঘর্ষণ হ্রাস করে এবং সিস্টেমের সামগ্রিক দক্ষতা বাড়িয়ে তোলে। টেপার্ড ড্রাইভ রোলারগুলির জন্য ব্যবহৃত উপাদানগুলি সাধারণত স্টেইনলেস স্টিল বা উচ্চ-শক্তি অ্যালো স্টিল, যা পরিধান এবং জারাগুলিতে দুর্দান্ত প্রতিরোধ সরবরাহ করে, এটি খাদ্য প্রক্রিয়াকরণ, ফার্মাসিউটিক্যালস এবং ভারী শিল্প ব্যবহার সহ বিভিন্ন পরিবেশের জন্য উপযুক্ত করে তোলে।
টেপার্ড ডিজাইনটি বিভিন্ন আকার এবং ওজনগুলি উপকরণগুলির হ্যান্ডেল করার রোলারের ক্ষমতাকেও অবদান রাখে, এই রোলারগুলিকে বিভিন্ন অ্যাপ্লিকেশনগুলির সাথে অত্যন্ত অভিযোজিত করে তোলে। টেপার কোণটি সমস্ত রোলার জুড়ে সামঞ্জস্যপূর্ণ, পুরো কনভেয়র সিস্টেম জুড়ে অভিন্ন কর্মক্ষমতা সরবরাহ করে তা নিশ্চিত করার জন্য Wuxi হুইকিয়ানের টেপার্ড ড্রাইভ রোলারগুলি নির্ভুলতার সাথে তৈরি করা হয়।
চালিত রোলারগুলি নির্মাণে স্টেইনলেস স্টিল এবং অ্যালো স্টিলের ব্যবহার কঠোর বা ক্ষয়কারী পরিবেশে তাদের স্থায়িত্ব নিশ্চিত করে। এই উপকরণগুলি মরিচা, জারা এবং ঘর্ষণ থেকে অত্যন্ত প্রতিরোধী, এগুলি এমন শিল্পগুলির জন্য আদর্শ করে তোলে যেখানে রোলারগুলি আর্দ্রতা, রাসায়নিক বা অন্যান্য পরিবেশগত চ্যালেঞ্জের সংস্পর্শে আসে। উদাহরণস্বরূপ, খাদ্য ও পানীয় শিল্প, যেখানে স্বাস্থ্যবিধি একটি অগ্রাধিকার, স্টেইনলেস স্টিল চালিত রোলারগুলির জারা-প্রতিরোধী বৈশিষ্ট্যগুলি থেকে উপকৃত হয়।
উপকরণগুলির জারা-প্রতিরোধী বৈশিষ্ট্যগুলি সময়ের সাথে সাথে কনভেয়র সিস্টেমের অখণ্ডতা বজায় রাখতে, ব্যয়বহুল মেরামত রোধ করে এবং ধারাবাহিক কর্মক্ষমতা নিশ্চিত করতে সহায়তা করে।
স্প্রকেট ড্রাইভ এবং টেপার্ড ড্রাইভ মডেল সহ লিমিটেডের চালিত রোলারগুলি উক্সি হুইকিয়ান লজিস্টিক মেশিনারি ম্যানুফ্যাকচারিং কোং, স্থায়িত্ব, কাস্টমাইজেশন, নির্ভুলতা প্রকৌশল এবং দক্ষতার দিক থেকে উল্লেখযোগ্য সুবিধা দেয়। ইস্পাত এবং স্টেইনলেস স্টিলের মতো উচ্চমানের উপকরণগুলি ব্যবহার করে, এই রোলারগুলি স্বয়ংচালিত উত্পাদন থেকে শুরু করে রসদ এবং খাদ্য প্রক্রিয়াকরণ পর্যন্ত শিল্পগুলির জন্য দীর্ঘস্থায়ী, নিম্ন-রক্ষণাবেক্ষণ সমাধান সরবরাহ করে। ভারী বোঝা হ্যান্ডেল করার, শক্তি খরচ হ্রাস করতে এবং দাবিদার পরিবেশে সুচারুভাবে পরিচালনা করার ক্ষমতা তাদের কোনও ব্যবসায়ের জন্য তার উপাদান হ্যান্ডলিং সিস্টেমগুলি অনুকূল করতে চাইলে একটি নির্ভরযোগ্য পছন্দ করে তোলে
ভবিষ্যতে কারুশিল্প নিয়ে আসা।
নং 60, ঝেনহু নর্থ রোড, হুদাই টাউন, বিনহু জেলা , উক্সি 214100, চীন







