এইচআর-টিসি 220
Cat:টেপার রোলার কনভেয়র
প্রস্থ ডাব্লু (মিমি) 200 A (φ) ব্যাস 3...
উন্নত কাঠামো, উচ্চ-মানের পারফরম্যান্স, ব্যবহার করা সহজ, উচ্চ নির্ভরযোগ্যতা এবং স্থায়িত্ব।
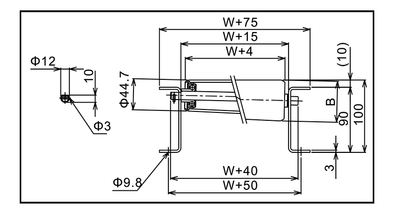
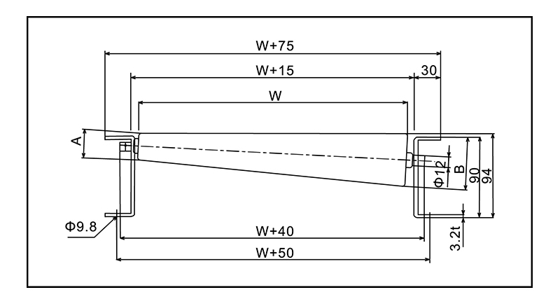
কার্ভ রোলার কনভেয়র নামেও পরিচিত, টেপার রোলার পরিবাহক 30, 45, 60, 90 এবং 180 ডিগ্রি কোণ ঘুরিয়ে দেওয়ার অনুমতি দেয়। এটি মূলত কনভেয়র লাইনে দিকনির্দেশ পরিবর্তনের জন্য ব্যবহৃত হয়, 30, 45 এবং 60 ডিগ্রি প্রায়শই ব্রাঞ্চিং এবং মার্জিং কনভেয়রগুলির জন্য ব্যবহৃত হয়। এই পরিবাহক হ'ল একটি লাইটওয়েট টাইপ যা সাধারণত 200 কেজি ছাড়িয়ে যায় না এমন লোড ক্ষমতা সহ।
| আর | টাইপ \ প্রস্থ | 200 | 300 | 400 | 500 | 600 | 700 | 800 | 900 | 1000 | 1100 | 1200 | রোলার পিচ |
| 220 | এইচআর-টিসি 220 | ○ | - | - | - | - | - | - | - | - | - | - | 50,75,100 |
| 320 | এইচআর-টিসি 320 | - | ○ | - | - | - | - | - | - | - | - | - | 50,75,100 |
| 500 | এইচআর-টিসি 500 এ | - | ○ | ○ | ○ | ○ | ○ | - | - | - | - | - | 75 |
| 700 | এইচআর-টিসি 700 | ○ | ○ | ○ | ○ | ○ | - | - | - | - | - | - | 75,100,150 |
| 900 | এইচআর-টিসিএন | - | ○ | ○ | ○ | ○ | ○ | ○ | - | - | - | - | 75,100,150 |
| এইচআর-টিসি 900 | ○ | ○ | ○ | ○ | ○ | - | - | - | - | - | - | 75,100,150 | |
| এইচআর-টিসি 900 এ | - | ○ | ○ | ○ | ○ | ○ | ○ | - | - | - | - | 75,100 | |
| এইচআর-টিসিএল | - | - | - | - | - | - | - | ○ | ○ | ○ | ○ | 75,100,150,200 | |
| 1200 | এইচআর-টিসি 1200 | ○ | ○ | ○ | ○ | ○ | - | - | - | - | - | - | 75,100,150 |
| এইচআর-টিসি 1200 এ | - | - | - | - | - | - | ○ | ○ | ○ | ○ | ○ | 75.100 | |
| 1600 | এইচআর-টিসি 1600 | - | - | ○ | ○ | ○ | ○ | ○ | - | - | - | - | 75,100,150,200 |

প্রস্থ ডাব্লু (মিমি) 200 A (φ) ব্যাস 3...
| প্রস্থ ডাব্লু (মিমি) | 200 | |
| A (φ) | ব্যাস | 31.3 |
| বেধ | 3.5 | |
| বি (φ) | ব্যাস | 60.5 |
| বেধ | 2.0 | |
| রোলার লোডিং (কেজি) | 100 | |

প্রস্থ ডাব্লু (মিমি) 300 A (φ) ব্যাস 3...
| প্রস্থ ডাব্লু (মিমি) | 300 | |
| A (φ) | ব্যাস | 31.2 |
| বেধ | 3.6 | |
| বি (φ) | ব্যাস | 60.5 |
| বেধ | 2.1 | |
| রোলার লোডিং (কেজি) | 100 | |

প্রস্থ ডাব্লু (মিমি) 300 400 500 600 ...
| প্রস্থ ডাব্লু (মিমি) | 300 | 400 | 500 | 600 | 700 | 800 | |
| A (φ) | ব্যাস | 42.7 | 42.7 | 42.7 | 42.7 | 42.7 | 42.7 |
| বেধ | 3.2 | 3.2 | 3.1 | 3.1 | 3.1 | 3.1 | |
| বি (φ) | ব্যাস | 56.8 | 61.3 | 66.4 | 71.3 | 76.2 | 80.0 |
| বেধ | 2.1 | 2.1 | 2.1 | 2.1 | 2.0 | 2.0 | |
| রোলার লোডিং (কেজি) | 100 | 90 | 85 | 76 | 59 | 54 | |

প্রস্থ ডাব্লু (মিমি) 900 1000 1100 1200 ...
| প্রস্থ ডাব্লু (মিমি) | 900 | 1000 | 1100 | 1200 | |
| A (φ) | ব্যাস | 42.7 | 42.7 | 42.7 | 42.7 |
| বেধ | 3.5 | 3.8 | 4.5 | 4.5 | |
| বি (φ) | ব্যাস | 86.7 | 91.0 | 95.3 | 100.0 |
| বেধ | 2.0 | 1.8 | 2.0 | 1.8 | |
| রোলার লোডিং (কেজি) | 110 | 95 | 87 | 80 | |

প্রস্থ ডাব্লু (মিমি) 200 300 400 500 ...
| প্রস্থ ডাব্লু (মিমি) | 200 | 300 | 400 | 500 | 600 | |
| A (φ) | ব্যাস | 41.3 | 41.3 | 41.3 | 41.3 | 41.3 |
| বেধ | 3.3 | 3.3 | 3.3 | 3.3 | 3.3 | |
| বি (φ) | ব্যাস | 52.2 | 57.6 | 63.1 | 68.6 | 74.0 |
| বেধ | 2.5 | 2.4 | 2.4 | 2.3 | 2.3 | |

প্রস্থ ডাব্লু (মিমি) 200 300 400 500 ...
| প্রস্থ ডাব্লু (মিমি) | 200 | 300 | 400 | 500 | 600 | |
| A (φ) | ব্যাস | 45.0 | 45.0 | 45.0 | 45.0 | 45.0 |
| বেধ | 3.2 | 3.2 | 3.2 | 3.2 | 3.2 | |
| বি (φ) | ব্যাস | 54.9 | 59.9 | 64.9 | 69.8 | 74.8 |
| বেধ | 2.2 | 2.2 | 2.1 | 2.1 | 2.0 | |

প্রস্থ ডাব্লু (মিমি) 200 300 400 500 ...
| প্রস্থ ডাব্লু (মিমি) | 200 | 300 | 400 | 500 | 600 | |
| A (φ) | ব্যাস | 48.0 | 48.0 | 48.0 | 48.0 | 48.0 |
| বেধ | 3.1 | 3.1 | 3.1 | 3.1 | 3.1 | |
| বি (φ) | ব্যাস | 56.8 | 61.2 | 65.7 | 70.1 | 74.5 |
| বেধ | 2.3 | 2.3 | 2.2 | 2.2 | 2.1 | |

প্রস্থ ডাব্লু (মিমি) 400 500 600 700 ...
| প্রস্থ ডাব্লু (মিমি) | 400 | 500 | 600 | 700 | 800 | |
| A (φ) | ব্যাস | 50.0 | 50.0 | 50.0 | 50.0 | 50.0 |
| বেধ | 3.0 | 3.0 | 3.0 | 3.0 | 3.0 | |
| বি (φ) | ব্যাস | 63.0 | 66.3 | 69.5 | 72.8 | 76.0 |
| বেধ | 2.3 | 2.2 | 2.2 | 2.1 | 2.0 | |

প্রস্থ ডাব্লু (মিমি) 300 400 500 600 ...
| প্রস্থ ডাব্লু (মিমি) | 300 | 400 | 500 | 600 | 700 | 800 | |
| A (φ) | ব্যাস | 42 | 42 | 42 | 42 | 42 | 42 |
| বেধ | 2 | 2 | 2 | 2 | 2 | 2 | |
| বি (φ) | ব্যাস | 79 | 91 | 103 | 116 | 128 | 140 |
| বেধ | 20.5 | 26.5 | 32.5 | 39.0 | 45.0 | 51.0 | |

প্রস্থ ডাব্লু (মিমি) 200 300 400 500 ...
| প্রস্থ ডাব্লু (মিমি) | 200 | 300 | 400 | 500 | 600 | 700 | |
| A (φ) | ব্যাস | 44.7 | 44.7 | 44.7 | 44.7 | 44.7 | 44.7 |
| বেধ | 3.5 | 3.5 | 3.5 | 3.5 | 3.5 | 3.5 | |
| বি (φ) | ব্যাস | 54.6 | 59.6 | 64.5 | 69.5 | 74.4 | 75 |
| বেধ | 2.4 | 2.3 | 2.3 | 2.2 | 2.2 | 2.2 | |

প্রকার চিহ্ন অনড়তা তাপ প্রতিরোধ ঠান্ডা প্রত...
| প্রকার | চিহ্ন | অনড়তা | তাপ প্রতিরোধ | ঠান্ডা প্রতিরোধ | তেল প্রতিরোধের | প্রতিরোধ পরুন | |||
| প্রাকৃতিক রাবার | এনআর | প্রায় 60 | 120 সি | -50 ° ℃ | এক্স | ও | |||
| ডিং নাইট্রাইল রাবার | এনবিআর | প্রায় 60 | 130 সি ° | -10 ° C। | ও | ও | |||
| পলিউরেথেন রাবার | পু | প্রায় 90 | 80 সি ° | -30 ডিগ্রি সেন্টিগ্রেড | ও | ও | |||
| প্রাকৃতিক রাবার | ডিং নাইট্রাইল রাবার | রোলার | ব্যাস*বেধ*অক্ষ ব্যাস | রোলার প্রস্থ | |||||
| আরআর -4812 পি | আরআরজি -4812 পি | আর -3812 পি | 48*5*12 | 100 ~ 1500 | |||||
| আরআর -4816 | আরআরজি -4816 | আর -3816 | 48*5*12 | 100 ~ 1500 | |||||
| আরআর -6721 পি | আরআরজি -6721 পি | আর -5721 পি | 67*5*12 | 100 ~ 1500 | |||||

ধাতুপট্টাবৃত প্রকার সুবিধা ধাতুপট্টাবৃত বেধ বৈদ্যু...
| ধাতুপট্টাবৃত প্রকার | সুবিধা | ধাতুপট্টাবৃত বেধ |
| বৈদ্যুতিন গ্যালভানাইজড | সাদা দস্তা, নীল-সাদা দস্তা, তুচ্ছ ক্রোমিয়াম | 5 টিরও বেশি মাইক্রন |
| হার্ড ক্রোম ধাতুপট্টাবৃত | উচ্চ কঠোরতা | 3 মাইক্রন এরও বেশি |
কেন রোলার পরিবাহক রক্ষণাবেক্ষণ সরাসরি সিস্টেমের জীবনকালকে প্রভাবিত করে বেলন পরিবাহক সিস...
আরও পড়ুনকি একটি বেলন পরিবাহক সত্যিই ভারী দায়িত্ব তোলে? একটি ভারী-শুল্ক রোলার পরিবাহক বিপণন দাবি দ্বারা ...
আরও পড়ুনরোলার পরিবাহক কি এবং কেন টাইপ গুরুত্বপূর্ণ? বেলন পরিবাহক ম্যাটেরিয়াল হ্যান্ডলিং সিস্টে...
আরও পড়ুনকেন রোলার পরিবাহক উপাদান হ্যান্ডলিং এর মেরুদণ্ড থেকে যায় বেলন পরিবাহক কায়িক শ্রম হ্রা...
আরও পড়ুনভবিষ্যতে কারুশিল্প নিয়ে আসা।
নং 60, ঝেনহু নর্থ রোড, হুদাই টাউন, বিনহু জেলা , উক্সি 214100, চীন







