এইচসিআই-এইচ ছোট বেল্ট পরিবাহক
Cat:বেল্ট কনভেয়র ঘুরিয়ে
গাইড হুইল এবং গাইড বারের মধ্যে সহযোগিতার মাধ্যমে, বেল্টটি টানা এবং চালানোর জন্য গাইড করা হয়। বৈশিষ্ট...
উন্নত কাঠামো, উচ্চ-মানের পারফরম্যান্স, ব্যবহার করা সহজ, উচ্চ নির্ভরযোগ্যতা এবং স্থায়িত্ব।
টার্নিং বেল্ট টার্নিং মেশিনটি একটি সাধারণ কনভাইং সরঞ্জাম, মূলত একটি বেল্ট কনভেয়র লাইন থেকে আরও 90 ডিগ্রি বা 180 ডিগ্রি বিপরীত বেল্ট কনভেয়ারে উপকরণ স্থানান্তর করতে ব্যবহৃত হয়। এটিতে বেল্ট, ফ্রেম, ড্রাইভ রোলার, বিপরীত রোলার, লোড বহনকারী প্যালেটস, রিটার্ন রোলার এবং টেনশনিং ডিভাইসগুলির মতো উপাদান রয়েছে। বেল্ট টার্নিং মেশিনের কনভেয়র বেল্টের উপাদানগুলিতে পিভিসি, পিইউ, পিভিকে ইত্যাদির মতো বিভিন্ন উপকরণ অন্তর্ভুক্ত রয়েছে, সাধারণ উপকরণগুলি পৌঁছে দেওয়ার জন্য ব্যবহৃত হওয়ার পাশাপাশি এটি তেল প্রতিরোধের, অ্যাসিড এবং ক্ষারীয় জারা প্রতিরোধের মতো বিশেষ প্রয়োজনীয়তা সহ উপকরণগুলির পরিবহণও পূরণ করতে পারে .3৩৩৩৩৩৩৩৩৩৩৩৩৩

গাইড হুইল এবং গাইড বারের মধ্যে সহযোগিতার মাধ্যমে, বেল্টটি টানা এবং চালানোর জন্য গাইড করা হয়। বৈশিষ্ট...
গাইড হুইল এবং গাইড বারের মধ্যে সহযোগিতার মাধ্যমে, বেল্টটি টানা এবং চালানোর জন্য গাইড করা হয়।
বৈশিষ্ট্য: কম শব্দ, উচ্চ গতি এবং এমনকি বেল্ট শক্তি।
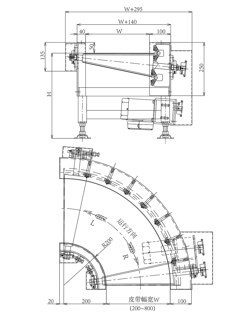
স্ট্যান্ডার্ড মাত্রা
| বেল্ট প্রস্থ | 200 | 300 | 400 | 500 | 600 | 700 | 800 |
| পরিবাহক প্রস্থ | 520 | 620 | 720 | 820 | 920 | 1020 | 1120 |
| কোণ | 90 | মোটর শক্তি | 200W 、 370W 、 750W |
| উচ্চতা | 380 থেকে 1100 ফুট উঁচু | শক্তি | A (AC110V একক-পর্ব) বি (AC200V একক-পর্ব) সি (AC200V/380V থ্রি-ফেজ) |
| গতি | স্থির গতি | বেল্ট | পলিউরেথেন বেল্ট |
| ক্ষমতা | 100 কেজি/সেট (যখন অনুভূমিকভাবে ছড়িয়ে দেওয়া লোড) |
মুভিং ব্যাগ শেপ পণ্য হিসাবে, দয়া করে সামর্থ্য ডেটা 40% এ পুনরুদ্ধার করুন।
বেল্ট গতি
| অনুপাত | গতি নং | স্থির গতি 50/60 (হার্জ) (এম/মিনিট) | গতি নং | পরিবর্তনশীল গতি 50Hz (এম/মিনিট) |
| 1/180 | টি 1 | 1.6/1.9 | এইচ 1 | 0.09-1.7 |
| 1/2050 | টি 2 | 1.9/2.3 | এইচ 2 | 0.1-2.1 |
| 1/2020 | টি 3 | 2.4/2.9 | এইচ 3 | 0.13-2.6 |
| 1/90 | টি 4 | 3.2/3.8 | এইচ 4 | 0.17-3.5 |
| 1/75 | টি 5 | 3.8/4.6 | এইচ 5 | 0.2-4.2 |
| 1/60 | টি 6 | 4.9/5.8 | এইচ 6 | 0.25-5.1 |
| 1/50 | টি 7 | 5.8/6.9 | এইচ 7 | 0.3-6.2 |
| 1/36 | টি 8 | 8/9.5 | এইচ 8 | 0.4 ~ 8.6 |
| 1/30 | টি 9 | 9.5/11.5 | এইচ 9 | 0.5-10.4 |
| 1/25 | টি 10 | 11.5/13.7 | এইচ 10 | 0.6-12.4 |
| 1/18 | টি 11 | 15.9/19 | এইচ 11 | 0.9-17.3 |
| 1/15 | টি 12 | 19.3/22.3 | এইচ 12 | 1 ~ 20.6 |
| 1/12.5 | T13 | 23/27.4 | এইচ 13 | 1.2-24.8 |
| 1/7.5 | T14 | 38.3/45.8 | এইচ 14 | 2.1-41.4 |
| 1/5 | T15 | 57.5/68.6 | এইচ 15 | 3.1-62 |
| 1/3.6 | T16 | 79.9/95.4 | এইচ 16 | 4.3-86.1 |
| 1/3 | T17 | 95.8/114.4 | এইচ 17 | 5.2-103.4 |
স্থির গতির গতি গণনা: গতি 1500/1800rpm (50/60Hz), ড্রাইভিং রোলার ф82.3, ড্রাইভিং দক্ষতা: 95%
পরিবর্তনশীল গতির গতি গণনা: গতি 2000rpm (50; 60Hz), ড্রাইভিং রোলার ф82.3, ড্রাইভিং দক্ষতা: 95%
অঙ্কন

চেইন এবং গাইড হুইলের মধ্যে সহযোগিতার মাধ্যমে, বেল্টটি টানা এবং গাইড করা যায়। বৈশিষ্ট্য: ভারী বোঝা এব...
চেইন এবং গাইড হুইলের মধ্যে সহযোগিতার মাধ্যমে, বেল্টটি টানা এবং গাইড করা যায়।
বৈশিষ্ট্য: ভারী বোঝা এবং দ্রুত গতি।
স্ট্যান্ডার্ড মাত্রা
| বেল্ট প্রস্থ | 400 | 600 | 800 | 1000 | 1200 | 1400 | 1600 | 1800 |
| পরিবাহক প্রস্থ | 525 | 725 | 925 | 1125 | 1325 | 1525 | 1725 | 1925 |
| কোণ | 90 | মোটর শক্তি | 370W 、 750W 、 1.1KW 、 1.5kW 、 2.2kW |
| উচ্চতা | 550 থেকে 2000 ফুট উঁচু | শক্তি | A (AC110V একক-পর্ব) বি (AC200V একক-পর্ব) সি (AC200V/380V থ্রি-ফেজ) |
| গতি | স্থির গতি | বেল্ট | পলি (এন-ভিনাইল কার্বাজল) |
| ক্ষমতা | 200 কেজি/সেট (যখন অনুভূমিকভাবে ছড়িয়ে দেওয়া লোড) |
মুভিং ব্যাগ শেপ পণ্য হিসাবে, দয়া করে সামর্থ্য ডেটা 40% এ পুনরুদ্ধার করুন।
বেল্ট গতি
| অনুপাত | গতি নং | স্থির গতি 50/60 (হার্জ) (এম/মিনিট | গতি নং | পরিবর্তনশীল গতি 50Hz (এম/মিনিট) |
| 1/2040 | টি 1 | 2.6/3.0 | এইচ 1 | 1.0-2.6 |
| 1/2020 | টি 2 | 2.8/3.5 | এইচ 2 | 1.1-2.8 |
| 1/2000 | টি 3 | 3.5/4.2 | এইচ 3 | 1.4 ~ 3.5 |
| 1/90 | টি 4 | 4.0/6.7 | এইচ 4 | 1.6 ~ 4.0 |
| 1/80 | টি 5 | 4.4/5.4 | এইচ 5 | 1.8-4.4 |
| 1/70 | টি 6 | 4.9/5.8 | এইচ 6 | 2.0-4.9 |
| 1/60 | টি 7 | 5.8/7.0 | এইচ 7 | 2.3-5.8 |
| 1/50 | টি 8 | 7.0/8.4 | এইচ 8 | 2.8 ~ 7.0 |
| 1/45 | টি 9 | 7.7/9.3 | এইচ 9 | 3.1 ~ 7.7 |
| 1/40 | টি 10 | 8.6/10.5 | এইচ 10 | 3.4 ~ 8.6 |
| 1/30 | টি 11 | 11.6/14.0 | এইচ 11 | 4.7 ~ 11.6 |
| 1/25 | টি 12 | 14.0/16.8 | এইচ 12 | 5.6 ~ 14.0 |
| 1/20 | T13 | 17.5/21.0 | এইচ 13 | 7.0-17.5 |
| 1/15 | T14 | 23.3/28.0 | এইচ 14 | 9.3 ~ 23.3 |
| 1/10 | T15 | 35.0/41.9 | এইচ 15 | 14.0-35.0 |
| 1/5 | T16 | 70.0/83.8 | এইচ 16 | 28.0-70.1 |
স্থির গতির গতি গণনা: গতি 1500/1800rpm (50/60Hz), ড্রাইভিং রোলার ф82.3, ড্রাইভিং দক্ষতা: 95%
পরিবর্তনশীল গতির গতি গণনা: গতি 2000rpm (50; 60Hz), ড্রাইভিং রোলার ф82.3, ড্রাইভিং দক্ষতা: 95%
অঙ্কন
কেন রোলার পরিবাহক রক্ষণাবেক্ষণ সরাসরি সিস্টেমের জীবনকালকে প্রভাবিত করে বেলন পরিবাহক সিস...
আরও পড়ুনকি একটি বেলন পরিবাহক সত্যিই ভারী দায়িত্ব তোলে? একটি ভারী-শুল্ক রোলার পরিবাহক বিপণন দাবি দ্বারা ...
আরও পড়ুনরোলার পরিবাহক কি এবং কেন টাইপ গুরুত্বপূর্ণ? বেলন পরিবাহক ম্যাটেরিয়াল হ্যান্ডলিং সিস্টে...
আরও পড়ুনকেন রোলার পরিবাহক উপাদান হ্যান্ডলিং এর মেরুদণ্ড থেকে যায় বেলন পরিবাহক কায়িক শ্রম হ্রা...
আরও পড়ুনভবিষ্যতে কারুশিল্প নিয়ে আসা।
নং 60, ঝেনহু নর্থ রোড, হুদাই টাউন, বিনহু জেলা , উক্সি 214100, চীন







