ডাব্লু -26 পিএস (এর মধ্যে)
Cat:রজন হুইল কনভেয়র
প্রকার রোলার আকার ডি*ডাব্লু*ডি*বি শ্যাফ্ট ফ্রেম...
উন্নত কাঠামো, উচ্চ-মানের পারফরম্যান্স, ব্যবহার করা সহজ, উচ্চ নির্ভরযোগ্যতা এবং স্থায়িত্ব।

প্রকার রোলার আকার ডি*ডাব্লু*ডি*বি শ্যাফ্ট ফ্রেম...
| প্রকার | রোলার আকার ডি*ডাব্লু*ডি*বি | শ্যাফ্ট | ফ্রেমের আকার এইচ × ডাব্লু 1 × ডাব্লু 2 × ডাব্লু 3 × টি | উচ্চতা এইচ | লেনজে এল | হুইল পিচ পি | একক চাকা লোডিং (কেজি) | রোলার উপাদান |
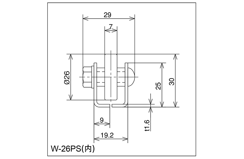
| ডাব্লু -26 পিএস (এর মধ্যে) | 26 × 8 × 6 × 16 | এম 6 × 25 এল | 25 × 19.2 × 9 × 29 × 1.6 | 30 | 1000 · 1500 · 2000 | 30 · 35 | 30 | POM |

প্রকার রোলার আকার ডি*ডাব্লু*ডি*বি শ্যাফ্ট ফ্রেম...
| প্রকার | রোলার আকার ডি*ডাব্লু*ডি*বি | শ্যাফ্ট | ফ্রেমের আকার এইচ × ডাব্লু 1 × ডাব্লু 2 × ডাব্লু 3 × টি | উচ্চতা এইচ | লেনজে এল | হুইল পিচ পি | একক চাকা লোডিং (কেজি) | রোলার উপাদান |
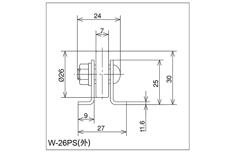
| ডাব্লু -26 পিএস (বাইরে) | 26 × 8 × 6 × 10 | এম 6 × 20 এল | 25 × 28 × 9 × 24 × 1.6 | 30 | 1000 · 1500 · 2000 | 30 · 35 | 30 | POM |

প্রকার রোলার আকার ডি*ডাব্লু*ডি*বি শ্যাফ্ট ফ্রেম...
| প্রকার | রোলার আকার ডি*ডাব্লু*ডি*বি | শ্যাফ্ট | ফ্রেমের আকার এইচ × ডাব্লু 1 × ডাব্লু 2 × ডাব্লু 3 × টি | উচ্চতা এইচ | লেনজে এল | হুইল পিচ পি | একক চাকা লোডিং (কেজি) | রোলার উপাদান |
| ডাব্লু -38 জিএস | 38 × 12 × 6 × 27 | এম 6 × 38L | 45 × 32.6 × 10 × 42 × 2.3 | 52 | 1800 · 2400 · 3000 | 50 · 75 · 100 · 150 | 30 | POM |

প্রকার রোলার আকার ডি*ডাব্লু*ডি*বি শ্যাফ্ট ফ্রেম...
| প্রকার | রোলার আকার ডি*ডাব্লু*ডি*বি | শ্যাফ্ট | ফ্রেমের আকার এইচ × ডাব্লু 1 × ডাব্লু 2 × ডাব্লু 3 × টি | উচ্চতা এইচ | লেনজে এল | হুইল পিচ পি | একক চাকা লোডিং (কেজি) | রোলার উপাদান |
| ডাব্লুবি -36 পিএস | 36 × 9 × 8 × 28 | এম 8 × 40 এল | 42.3 × 60 × 32 × 45 × × 1.6 2.3 | 49.3 | 1800 · 2400 · 3000 | 50 · 75 · 100 | 10 | POM |

প্রকার রোলার আকার ডি*ডাব্লু*ডি*বি শ্যাফ্ট ফ্রেম...
| প্রকার | রোলার আকার ডি*ডাব্লু*ডি*বি | শ্যাফ্ট | ফ্রেমের আকার এইচ × ডাব্লু 1 × ডাব্লু 2 × ডাব্লু 3 × টি | উচ্চতা এইচ | লেনজে এল | হুইল পিচ পি | একক চাকা লোডিং (কেজি) | রোলার উপাদান |
| এসডাব্লু -38 জিএস | 38 × 12 × 6 × 27 | এম 6 × 38L | 45 × 31 × 8.5 × 42 × 1.8 | 53 | 1800 · 2400 · 3000 | 50 · 75 · 100 · 150 | 30 | POM |

প্রকার রোলার আকার ডি*ডাব্লু*ডি*বি শ্যাফ্ট ফ্রেম...
| প্রকার | রোলার আকার ডি*ডাব্লু*ডি*বি | শ্যাফ্ট | ফ্রেমের আকার এইচ × ডাব্লু 1 × ডাব্লু 2 × ডাব্লু 3 × টি | উচ্চতা এইচ | লেনজে এল | হুইল পিচ পি | একক চাকা লোডিং (কেজি) | রোলার উপাদান |
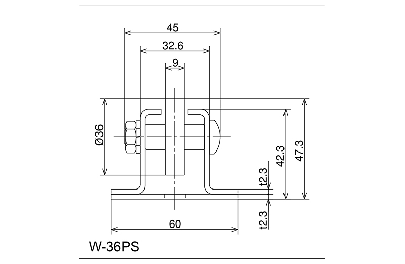
| ডাব্লু -36 পিএস | 36 × 9 × 8 × 28 | এম 8 × 40 এল | 42.3 × 60 × 32.6 × 45 × 2.3 | 47.3 | 1800 · 2400 · 3000 | 50 · 75 · 100 · 150 | 10 | POM |

প্রকার রোলার আকার ডি*ডাব্লু*ডি*বি শ্যাফ্ট ফ্রেম...
| প্রকার | রোলার আকার ডি*ডাব্লু*ডি*বি | শ্যাফ্ট | ফ্রেমের আকার এইচ × ডাব্লু 1 × ডাব্লু 2 × ডাব্লু 3 × টি | উচ্চতা এইচ | লেনজে এল | হুইল পিচ পি | একক চাকা লোডিং (কেজি) | রোলার উপাদান |
| ডাব্লু -36 পিডাব্লু | 36 × 9 × 8 × 14 | এম 8 × 55 এল | 46.3 × 60 × 33 × 71 × × 1.6 2.3 | 52.3 | 1800 · 2400 · 3000 | 50 · 75 · 100 · 150 | 10 | পম |
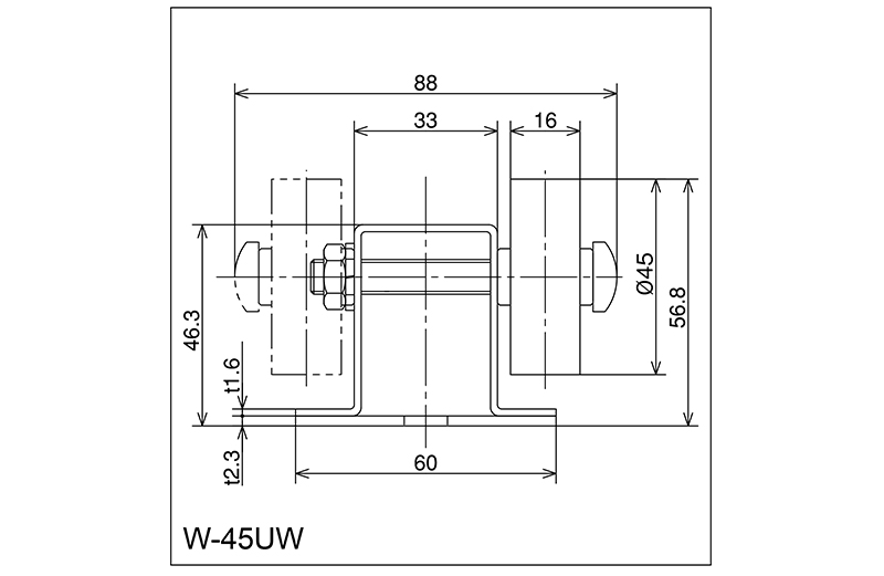
| W-45UW | 45 × 16 × 8 × 22 | এম 8 × 65 এল | 46.3 × 60 × 33 × 87 × × 1.6 2.3 | 56.8 | 1800 · 2400 · 3000 | 50 · 75 · 100 · 150 | 25 | ABS |

প্রকার রোলার আকার ডি*ডাব্লু*ডি*বি শ্যাফ্ট ফ্রেম...
| প্রকার | রোলার আকার ডি*ডাব্লু*ডি*বি | শ্যাফ্ট | ফ্রেমের আকার এইচ × ডাব্লু 1 × ডাব্লু 2 × ডাব্লু 3 × টি | উচ্চতা এইচ | লেনজে এল | হুইল পিচ পি | একক চাকা লোডিং (কেজি) | রোলার উপাদান |
| W-45UW | 45 × 16 × 8 × 22 | এম 8 × 65 এল | 46.3 × 60 × 33 × 87 × × 1.6 2.3 | 56.8 | 1800 · 2400 · 3000 | 50 · 75 · 100 · 150 | 25 | ABS |
কেন রোলার পরিবাহক রক্ষণাবেক্ষণ সরাসরি সিস্টেমের জীবনকালকে প্রভাবিত করে বেলন পরিবাহক সিস...
আরও পড়ুনকি একটি বেলন পরিবাহক সত্যিই ভারী দায়িত্ব তোলে? একটি ভারী-শুল্ক রোলার পরিবাহক বিপণন দাবি দ্বারা ...
আরও পড়ুনরোলার পরিবাহক কি এবং কেন টাইপ গুরুত্বপূর্ণ? বেলন পরিবাহক ম্যাটেরিয়াল হ্যান্ডলিং সিস্টে...
আরও পড়ুনকেন রোলার পরিবাহক উপাদান হ্যান্ডলিং এর মেরুদণ্ড থেকে যায় বেলন পরিবাহক কায়িক শ্রম হ্রা...
আরও পড়ুনভবিষ্যতে কারুশিল্প নিয়ে আসা।
নং 60, ঝেনহু নর্থ রোড, হুদাই টাউন, বিনহু জেলা , উক্সি 214100, চীন







